REGULATEUR DE VITESSE 3 PHASE 14 AMP - 7223.0068 - COMBISTEEL
Documentation
Documentation
Délais de livraison
Délais de livraison
Nos délais de livraison sont compris entre 4 et 10 jours ouvrables pour la France métropolitaine et entre 6 et 12 jours pour la Corse.
Nos stocks sont donnés à titre indicatif et peuvent évoluer. Si un produit venait à être indisponible, pas d’inquiétude : nous vous contacterons rapidement pour trouver ensemble la meilleure alternative.
Coût de livraison
Coût de livraison
Coût de livraison :
- Le coût de livraison de nos produits sera calculé à la page de paiement. Pour plus de détails, veuillez consulter notre politique d'expédition.
Livraison gratuite :
- Produits HENDI : Livraison offerte à partir de 1200€ HT
- Produits COMBISTEEL : Livraison offerte à partir de 2500€ HT
- Produits GILAC : Livraison offerte à partir de 500€ HT
- Produits VIRTUS : Livraison offerte à partir de 1700€ HT
- Produits ATOSA : Livraison offerte à partir de 1700€ HT
- Produits FISCHER : Livraison offerte à partir de 800€ HT
- Tous les autres produits : Livraison offerte à partir de 240€ HT
Retour possible jusqu'à 14 jours
Retour possible jusqu'à 14 jours
- Vous disposez de 14 jours pour retourner les produits que vous avez commandé et cela sans raison spécifique.
- N'hésitez pas à consulter nos conditions de retour.
- Vous souhaitez faire un retour ? Il suffit de compléter ce formulaire de retour.
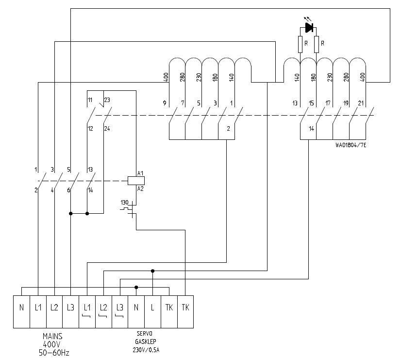
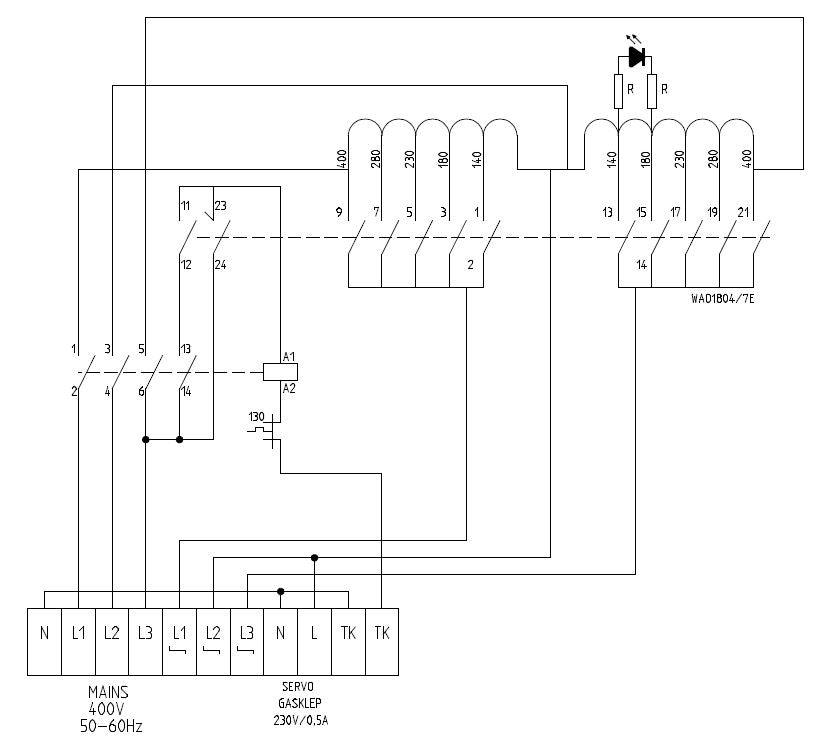
Régulateur de Vitesse Industriel 3 Phases 14A : La Solution Idéale pour Votre Équipement Électrique
Contrôle Précis et Fiable
Le Régulateur de Vitesse Industriel 3 Phases 14A CombiSteelTM 3-14 est l'outil indispensable pour optimiser vos équipements électriques. Grâce à ce régulateur, vous pouvez contrôler la vitesse de vos appareils avec une précision inégalée, garantissant ainsi une utilisation optimale et une durée de vie prolongée de votre matériel. Que vous gériez une cuisine industrielle, un hôtel ou une cafétéria, ce régulateur de vitesse est conçu pour répondre à vos besoins professionnels.
Performance et Protection
Ce régulateur de vitesse est non seulement performant mais offre également une protection contre les surcharges. Il est capable de gérer jusqu'à 14 ampères, assurant ainsi une performance stable et fiable même dans les environnements les plus exigeants. Vos opérations deviennent plus fluides et plus sûres, grâce à la technologie avancée de CombiSteelTM.
Simplifiez Votre Travail
L'installation et l'utilisation du Régulateur de Vitesse Industriel 3 Phases 14A sont simples et intuitives, vous permettant de vous concentrer sur l'essentiel : la satisfaction de vos clients. En améliorant l'efficacité de vos équipements, ce régulateur contribue à une meilleure gestion de votre temps et de vos ressources. Vous gagnez en productivité et en tranquillité d'esprit.
Caractéristiques Clés
- Capacité : Gère jusqu'à 14 ampères
- Technologie : CombiSteelTM pour une performance optimale
- Protection : Système contre les surcharges intégré
- Utilisation : Idéal pour les environnements industriels et professionnels
- Installation : Facile et rapide
Avantages pour Votre Entreprise
En choisissant le Régulateur de Vitesse Industriel 3 Phases 14A, vous investissez dans un outil qui vous permettra de :
- Améliorer la performance de vos équipements
- Protéger vos machines contre les surcharges
- Simplifier la gestion de vos opérations
- Augmenter la durée de vie de vos appareils électriques
Ne laissez pas vos équipements fonctionner à une vitesse sous-optimale. Optez pour le Régulateur de Vitesse Industriel 3 Phases 14A et découvrez la différence qu'il peut apporter à votre activité professionnelle.
Commandez Dès Maintenant
N'attendez plus pour optimiser vos équipements électriques. Commandez dès aujourd'hui votre Régulateur de Vitesse Industriel 3 Phases 14A et bénéficiez d'une performance inégalée et d'une protection renforcée pour vos appareils. Simplifiez votre quotidien professionnel avec un régulateur de vitesse fiable et puissant.
Investissez dans la qualité et la fiabilité avec le Régulateur de Vitesse Industriel 3 Phases 14A. Faites le choix de la performance pour vos équipements électriques.
-
EAN / GTIN
-
Gamme / Collection
-
Garantie fabricant
-
Hauteur (mm)
-
Intensité (A)
-
Largeur (mm)
-
Marque
-
Poids brut (kg)
-
Profondeur (mm)
-
SKU Fournisseur
-
Tension (V)
Paiement acceptés
Type de paiement
Vos informations de paiement sont traitées en toute sécurité. Nous ne conservons pas les détails de votre carte de crédit et n'y avons pas accès.
Notre fournisseur Combisteel
Met en avant sa gamme de produits sur FRANCE CHR

